¥¤¥ó¥Á¥Í¥¸¤âºÙÌܥԥåÁ¤â¤ª¤Þ¤«¤»¡ª¥Í¥¸¤Î¤³¤È¤Ê¤éÅìµþ²¼Ä®¤Î¤Í¤¸¤ä¤µ¤ónejiya.jp¤Ø

¥«¡¼¥È¤ò¸«¤ë

¾¦ÉÊ¥«¥Æ¥´¥ê¡¼
2025ǯ12·î
Æü ·î ²Ð ¿å ÌÚ ¶â ÅÚ
1 2 3 4 5 6
7 8 9 10 11 12 13
14 15 16 17 18 19 20
21 22 23 24 25 26 27
28 29 30 31

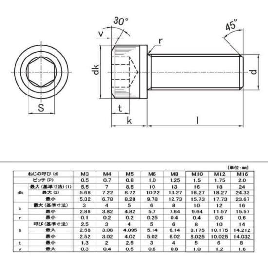
M3 X 18¡¡¥Á¥¿¥ó¥­¥ã¥Ã¥×¥Ü¥ë¥È

·¿ÈÖ 59153184
ÈÎÇä²Á³Ê

362±ß(ÆâÀÇ)

¹ØÆþ¿ô
¥Ñ¥Ã¥¯
1Ëܥѥå¯
4Ëܥѥå¯
10Ëܥѥå¯
100Ëܥѥå¯
500Ëܥѥå¯
1000Ëܥѥå¯

M3 X 18¡¡¥Á¥¿¥ó¥­¥ã¥Ã¥×¥Ü¥ë¥È


·ÚÎÌ¡¦¹âÂÑ¿©¤Î¥Á¥¿¥ó¥­¥ã¥Ã¥×¥Ü¥ë¥È¡ÊÏ»³Ñ·êÉեܥë¥È¡Ë¤ÎÈÎÇ䥳¡¼¥Ê¡¼¤Ç¤¹¡£¡¡

¥Á¥¿¥ó¤Ï¹©¶ÈÍѽã¥Á¥¿¥ó2¼ï(tw340·Ï)¤ò»ÈÍѤ·¤Æ¤¤¤Þ¤¹¡£

Èæ½Å¤ÏÅ´¤Î7.8¤ËÂФ·¤Æ4.5¤Ç¤¹¤Î¤ÇƱ·Á¾õ¤Î¾ì¹ç¤Ï40%°Ê¾å·Ú¤¤¶â°¤Ç¤¹¡£

¥Á¥¿¥ó¤Ï·ÚÎ̤ǡ¢È涯ÅÙ¤¬¹â¤¯¡¢Èó¼§À­¤Ç¤¢¤ê¡¢ÂÑ¿©À­¡¢ÂÑÇ®À­¡¢ÂÑ´¨À­¡¢ÂÐÈèÏ«À­¡¢ÂÐËàÌ×À­¤ËÍ¥¤ì¤¿¡¢ÍýÁÛŪ¤Ê¶â°ºàÎÁ¤Ç¤¢¤ê¡¢¸½ºß¤Ï¹Ò¶õ¡¦±§Ã軺¶È¡¢ÀÐÌý¡¦²½³Ø¥×¥é¥ó¥È¡¢ÅÅÎÏ¥×¥é¥ó¥ÈÅù¤òÃæ¿´¤Ë»ÈÍѤµ¤ì¤Æ¤ª¤ê¡¢º£¸å¤â¿¤¯¤ÎʬÌî¤Ç¤Î¼ûÍפ¬¸«¹þ¤Þ¤ì¤Æ¤¤¤Þ¤¹¡£

·ÚÎÌ¡¦Èó¼§À­¤È¤¤¤¦ÆÃħ¤òÀ¸¤«¤·¡¢¤ï¤º¤«¤ÊÂÓ¼§¤ä¡¢½ÅÎ̺¹¡¢²¹Å٤ˤè¤ëÊÑ·ÁÅù¤Ë¤è¤Ã¤ÆÀ¸¤¸¤ë¸íº¹¤µ¤¨µöÍÆ¤Ç¤­¤Ê¤¤ÀºÌ©µ¡´ï¤ÎÁÈÉÕ¤±ÉôÉÊÅù¤ËºÇŬ¤Ç¤¹¡£

¤Þ¤¿½ã¥Á¥¿¥ó¤Ï»õ¤Î¥¤¥ó¥×¥é¥ó¥È¼£ÎŤä¹üÀޤθÇÄê¤Ê¤ÉÂÎÆâ¤Ø¤ÎËä¤á¹þ¤ß¤Ë»ÈÍѤµ¤ì¤ë»ö¤Ç¤â¾ÚÌÀ¤µ¤ì¤Æ¤¤¤ëÄ̤ꡢ¶â°¥¢¥ì¥ë¥®¡¼¤Î¶Ë¤á¤ÆÈ¯À¸¤·¤Ë¤¯¤¤¶â°¤Ç¤¹¤Î¤Ç¡¢¤è¤¯¿Í¤Î¼ê¤Ë¿¨¤ì¤ë¾ì½ê¤Ê¤É¤Ø¤Î»ÈÍѤ˺ÇŬ¤Ç¤¹¡£(*1)

¤Þ¤¿¡¢´ðËÜŪ¤ËÈó¼§À­¤Î¤¿¤á·×¬´ï¤Ê¤É¤Ë¤â»È¤ï¤ì¤Æ¤ª¤ê¤Þ¤¹¡£

*1¡ÄÅö¾¦ÉʤϹ©¶ÈÍѤΤ¿¤á°åÎÅÍѤˤϻÈÍѤǤ­¤Þ¤»¤ó¡£

ºÇ¶á¥Á¥§¥Ã¥¯¤·¤¿¾¦ÉÊ


¤½¤Î¾¤Î¥Ú¡¼¥¸
¤ª¤¹¤¹¤á¾¦ÉÊ
Çä¤ì¶Ú¾¦ÉÊ
ʼç¤Î¥³¡¼¥Ê¡¼

CHAKO
2025/06/10
AmazonPay¤¬·èºÑÊýË¡¤ËÄɲ䵤ì¤Þ¤·¤¿
2023/09/27
¥Ï¥¤¥Æ¥ó¥·¥ç¥ó¥Ü¥ë¥È(F10T/S10T/F8T)ÂçÉôʬ¤Î¥µ¥¤¥º¤¬°ÂÄê¶¡µë½ÐÍè¤ë¤è¤¦¤Ë¤Ê¤Ã¤¿¤Î¤ÇºÆÈÎÇ䳫»Ï¤·¤Þ¤¹¢ªÈÎÇä¥Ú¡¼¥¸
2023/06/16
UNC/UNF¥­¥ã¥Ã¥×¥Ü¥ë¥ÈÎब¤µ¤é¤Ë½¼¼Â¡ª
2022/04/11
¤ª¥È¥¯¤ÊÁ÷ÎÁ¥­¥ã¥ó¥Ú¡¼¥ó³«»Ï
2022/02/16
PayPay¥ª¥ó¥é¥¤¥ó·èºÑ¤¬ÍøÍѲÄǽ¤Ë¤Ê¤ê¤Þ¤·¤¿
2021/07/16
¼«¼Ò¥ª¥ê¥¸¥Ê¥ëÀ½ÉÊ¡ÖKappa¥¹¡¼¥Ñ¡¼¥¢¡¼¥·¥ó¥°¥Ü¥ë¥È¡×ȯÇä
2021/06/21
ÆÃÊÌÊØ±¿Ä²þÄê
2019/11/29
¥ä¥Þ¥È±¿Í¢Á´ÈÌÎÁ¶âÃͲ¼¤²¤·¤Þ¤·¤¿
2019/11/11
¥­¥ã¥Ã¥·¥å¥ì¥¹¾ÃÈñ´Ô¸µ»ö¶ÈŬÍѳ«»Ï
2019/04/25
±¿Ä²þÄê(Á´Âθ«Ä¾¤·)
2018/09/29
¤æ¤¦¥Ñ¥Ã¥¯¤ÎÍøÍÑÎÁ¶â²þÄê
2018/04/01
ÂðÇÛÊØ(¼ç¤Ë¤æ¤¦¥Ñ¥Ã¥¯)¤ÎÍøÍÑÎÁ¶â²þÄê
2019/01/26
¡û¥«¥é¡¼¥ß¡¼¥·¥ç¥Ã¥×¤Ë±÷¤±¤ë¾ðÊóή½Ð¤Ë¤Ä¤¤¤Æ¢ªClick
2017/09/29
¥ä¥Þ¥È±¿Í¢¤ÎÍøÍÑÎÁ¶â²þÄê
2016/8/20
¶â°»º¶È¿·Ê¹¤Ë¤ÆÅö¼Ò¤¬¾Ò²ð¤µ¤ì¤Þ¤·¤¿¢ªPDFÈÇ / JPEGÈÇ
2016/5/12
¼«¼Ò¥Ý¥¤¥ó¥È¤Î»ÈÍѾå¸Â2500¥Ý¥¤¥ó¥È(1Ãíʸ¤¢¤¿¤ê)¤ËÊѹ¹¤Ë¤Ê¤ê¤Þ¤·¤¿¡£ 2014/10/1
¥ê¥³¥¤¥ë¼ÒÀ½ÉÊÁ´ÉÊ2014/10/1¤è¤êÄê²Á²þÄû¤È¤Ê¤ê¤Þ¤·¤¿¡£
2014/09
yahoo!¥¦¥©¥ì¥Ã¥È·èºÑ¤ËÂбþ¤·¤Þ¤·¤¿¡£
2014/07
¥Ý¥¤¥ó¥ÈÉÕÍ¿¥ë¡¼¥ëÊѹ¹¤Î¤ªÃΤ餻¢ªClick
2014/06
¥×¥ì¥¼¥ó¥È³ÈÄ¥¡ª¤Ê¤ó¤È5000±ß¤ªÇ㤤¾å¤²¤«¤é¡ª
2013/07
¥¸¥ã¥ó¥¯ÉÊÁý¤¨¤¹¤®¤¿¤Î¤ÇʬÎà¤òÁý¤ä¤·¤Þ¤·¤¿¡£Â¿¾¯Ãµ¤·¤ä¤¹¤¯¤Ê¤Ã¤¿¤È»×¤¤¤Þ¤¹¡£
2012/09
¥¯¥ì¥¸¥Ã¥È¥«¡¼¥É·èºÑÂбþ¤òÂç¼ê3¼Ò¤«¤éÂç¼ê5¼Ò(VISA/MASTER/JCB/AMEX/DINERS)¤Ë³ÈÂç
2011/03
Á´¹ñÁ÷ÎÁ525±ß¥»¡¼¥ë¤òºÆ³«¤·¤Þ¤¹¡£
2011/03
¿½¤·Ìõ¤¢¤ê¤Þ¤»¤ó¤¬ÅìÆüËÜÃϿ̤Τ¿¤áÅöÌ̤δ֡¢Á´¹ñÁ÷ÎÁ525±ß¥»¡¼¥ë¤òµÙ»ß¤·¤Þ¤¹¡£À¾ÆüËܤÏ525±ß¥»¡¼¥ë·Ñ³¤Ç¤¹
2011/01¡¡
ÄãÆ¬¥Í¥¸¥·¥ê¡¼¥º¥³¡¼¥Ê¡¼ºîÀ®
2010/11
¥¨¥¢È´¤­¥Í¥¸¤Î°·¤¤¶¯²½
2011/09
¥«¡¼¥É·èºÑ(Visa/Master/Diners)ƳÆþ
2010/06
¥Ö¥é¥¤¥ó¥É¥ê¥Ù¥Ã¥È¤Î°·¤¤¶¯²½
2010/05
6-4¥Á¥¿¥ó·Ï¥­¥ã¥Ã¥×¤Á¤ç¤Ã¤ÈÃͲ¼¤²¡ª
2010/03
¤¤¤¿¤º¤éËɻߥͥ¸¼è¤ê°·¤¤¶¯²½¡ª
2009/11
ǯËöÁ÷ÎÁ³Ê°Â¥­¥ã¥ó¥Ú¡¼¥ó³«»Ï¡ª
2009/10 ¡¡
¥¸¥ã¥Ñ¥ó¥Í¥Ã¥È¥Ð¥ó¥¯(JNB J¿¶¡Ë·èºÑ¤òƳÆþ¤·¤Þ¤·¤¿
2009/07
¥ê¥³¥¤¥ë¸æ°¦¸Ü¤Ë´¶¼Õ¤·¤Æ¡¢ÆÃ²Á¥­¥ã¥ó¥Ú¡¼¥óÃæ¡ª¡ª
2009/06
¹â¶¯ÅÙ6-4¥Á¥¿¥ó¡õDAT¥Á¥¿¥ó¹ç¶âÈÎÇ䳫»Ï
2009/02
Ëä¤á¹þ¤ßÍÑ¥¢¥¤¥Ü¥ë¥È¤Îµ¡Ç½¶¯²½ÈÇSuper-Z¥·¥ê¡¼¥ºÈÎÇ䳫»Ï¡ª
ŹĹÆüµ­¤Ï¤³¤Á¤é
¥á¥ë¥Þ¥¬ÅÐÏ¿¡¦²ò½ü
¥á¥ë¥Þ¥¬ÅÐÏ¿¡¦²ò½ü¤Ï
¤³¤Á¤é